Gearshift Controls and Related Parts for 2009 Chrysler Sebring
Vehicle
2009 Chrysler Sebring
Change Vehicle
Categories
- Camshaft and Valve
- Crankcase Ventilation
- Crankshaft, Piston, Drive Plate, Flywheel, and Damper
- Cylinder Block
- Cylinder Head
- Engine Identification, Service Engines & Engine Service Kits
- Engine Mounting
- Engine Oil Cooler
- Engine Oiling, Oil Pan and Indicator (Dipstick)
- Manifolds and Vacuum Fittings
- Timing Belt/Chain and Cover and Balance Shaft
- Camshaft and Valve
- Crankcase Ventilation
- Crankshaft, Piston, Drive Plate, Flywheel, and Damper
- Cylinder Block
- Cylinder Head
- Engine Identification, Service Engines & Engine Service Kits
- Engine Mounting
- Engine Oil Cooler
- Engine Oiling, Oil Pan and Indicator (Dipstick)
- Manifolds and Vacuum Fittings
- Timing Belt/Chain and Cover and Balance Shaft
- Battery, Battery Tray and Cables
- Convertible Top - Electric
- Generators / Alternators
- Horns
- Ignition - Spark Plugs, Cables, Coils, and Glow Plugs
- Instrument Panel Cluster
- Keys, Modules and Engine Controllers
- Lamps-Interior and Exterior
- Navigation
- Power Distribution Center, Fuse Block, Junction Block, Relays and Fuses
- Radio, Antenna, Speakers, DVD, and Video systems
- Sensors
- Speed Control
- Starters
- Switches
- Telecommunication
- Wiper and Washer System
- Wiring and Repair
- Wiring-Body and Accessories
- Wiring-Headlamp to Dash
- Wiring-Instrument Panel
- Wiring-Powertrain
- Carpets, Floor Mats, Load Floor, and Silencers
- Consoles
- Door Trim Panels-Front and Rear
- Front Seats - Adjusters, Recliners, Shields and Risers
- Front Seats - First Row
- Headliners-Visors-Assist Straps
- Instrument Panel
- Panels-Moldings-Scuff Plates, Pillar, Cowl, 1/4 Panel Trim and Cargo Covers
- Rear Seats - Second Row
- Rear Seats - Second Row - Adjusters, Recliners, Shields and Risers
- Camshaft and Valve
- Crankcase Ventilation
- Crankshaft, Piston, Drive Plate, Flywheel, and Damper
- Cylinder Block
- Cylinder Head
- Engine Identification, Service Engines & Engine Service Kits
- Engine Mounting
- Engine Oil Cooler
- Engine Oiling, Oil Pan and Indicator (Dipstick)
- Manifolds and Vacuum Fittings
- Timing Belt/Chain and Cover and Balance Shaft
- Camshaft and Valve
- Crankcase Ventilation
- Crankshaft, Piston, Drive Plate, Flywheel, and Damper
- Cylinder Block
- Cylinder Head
- Engine Identification, Service Engines & Engine Service Kits
- Engine Mounting
- Engine Oil Cooler
- Engine Oiling, Oil Pan and Indicator (Dipstick)
- Manifolds and Vacuum Fittings
- Timing Belt/Chain and Cover and Balance Shaft
- Battery, Battery Tray and Cables
- Convertible Top - Electric
- Generators / Alternators
- Horns
- Ignition - Spark Plugs, Cables, Coils, and Glow Plugs
- Instrument Panel Cluster
- Keys, Modules and Engine Controllers
- Lamps-Interior and Exterior
- Navigation
- Power Distribution Center, Fuse Block, Junction Block, Relays and Fuses
- Radio, Antenna, Speakers, DVD, and Video systems
- Sensors
- Speed Control
- Starters
- Switches
- Telecommunication
- Wiper and Washer System
- Wiring and Repair
- Wiring-Body and Accessories
- Wiring-Headlamp to Dash
- Wiring-Instrument Panel
- Wiring-Powertrain
- Carpets, Floor Mats, Load Floor, and Silencers
- Consoles
- Door Trim Panels-Front and Rear
- Front Seats - Adjusters, Recliners, Shields and Risers
- Front Seats - First Row
- Headliners-Visors-Assist Straps
- Instrument Panel
- Panels-Moldings-Scuff Plates, Pillar, Cowl, 1/4 Panel Trim and Cargo Covers
- Rear Seats - Second Row
- Rear Seats - Second Row - Adjusters, Recliners, Shields and Risers
Browse Categories
Select category
- Camshaft and Valve
- Crankcase Ventilation
- Crankshaft, Piston, Drive Plate, Flywheel, and Damper
- Cylinder Block
- Cylinder Head
- Engine Identification, Service Engines & Engine Service Kits
- Engine Mounting
- Engine Oil Cooler
- Engine Oiling, Oil Pan and Indicator (Dipstick)
- Manifolds and Vacuum Fittings
- Timing Belt/Chain and Cover and Balance Shaft
- Camshaft and Valve
- Crankcase Ventilation
- Crankshaft, Piston, Drive Plate, Flywheel, and Damper
- Cylinder Block
- Cylinder Head
- Engine Identification, Service Engines & Engine Service Kits
- Engine Mounting
- Engine Oil Cooler
- Engine Oiling, Oil Pan and Indicator (Dipstick)
- Manifolds and Vacuum Fittings
- Timing Belt/Chain and Cover and Balance Shaft
- Battery, Battery Tray and Cables
- Convertible Top - Electric
- Generators / Alternators
- Horns
- Ignition - Spark Plugs, Cables, Coils, and Glow Plugs
- Instrument Panel Cluster
- Keys, Modules and Engine Controllers
- Lamps-Interior and Exterior
- Navigation
- Power Distribution Center, Fuse Block, Junction Block, Relays and Fuses
- Radio, Antenna, Speakers, DVD, and Video systems
- Sensors
- Speed Control
- Starters
- Switches
- Telecommunication
- Wiper and Washer System
- Wiring and Repair
- Wiring-Body and Accessories
- Wiring-Headlamp to Dash
- Wiring-Instrument Panel
- Wiring-Powertrain
- Carpets, Floor Mats, Load Floor, and Silencers
- Consoles
- Door Trim Panels-Front and Rear
- Front Seats - Adjusters, Recliners, Shields and Risers
- Front Seats - First Row
- Headliners-Visors-Assist Straps
- Instrument Panel
- Panels-Moldings-Scuff Plates, Pillar, Cowl, 1/4 Panel Trim and Cargo Covers
- Rear Seats - Second Row
- Rear Seats - Second Row - Adjusters, Recliners, Shields and Risers
- Camshaft and Valve
- Crankcase Ventilation
- Crankshaft, Piston, Drive Plate, Flywheel, and Damper
- Cylinder Block
- Cylinder Head
- Engine Identification, Service Engines & Engine Service Kits
- Engine Mounting
- Engine Oil Cooler
- Engine Oiling, Oil Pan and Indicator (Dipstick)
- Manifolds and Vacuum Fittings
- Timing Belt/Chain and Cover and Balance Shaft
- Camshaft and Valve
- Crankcase Ventilation
- Crankshaft, Piston, Drive Plate, Flywheel, and Damper
- Cylinder Block
- Cylinder Head
- Engine Identification, Service Engines & Engine Service Kits
- Engine Mounting
- Engine Oil Cooler
- Engine Oiling, Oil Pan and Indicator (Dipstick)
- Manifolds and Vacuum Fittings
- Timing Belt/Chain and Cover and Balance Shaft
- Battery, Battery Tray and Cables
- Convertible Top - Electric
- Generators / Alternators
- Horns
- Ignition - Spark Plugs, Cables, Coils, and Glow Plugs
- Instrument Panel Cluster
- Keys, Modules and Engine Controllers
- Lamps-Interior and Exterior
- Navigation
- Power Distribution Center, Fuse Block, Junction Block, Relays and Fuses
- Radio, Antenna, Speakers, DVD, and Video systems
- Sensors
- Speed Control
- Starters
- Switches
- Telecommunication
- Wiper and Washer System
- Wiring and Repair
- Wiring-Body and Accessories
- Wiring-Headlamp to Dash
- Wiring-Instrument Panel
- Wiring-Powertrain
- Carpets, Floor Mats, Load Floor, and Silencers
- Consoles
- Door Trim Panels-Front and Rear
- Front Seats - Adjusters, Recliners, Shields and Risers
- Front Seats - First Row
- Headliners-Visors-Assist Straps
- Instrument Panel
- Panels-Moldings-Scuff Plates, Pillar, Cowl, 1/4 Panel Trim and Cargo Covers
- Rear Seats - Second Row
- Rear Seats - Second Row - Adjusters, Recliners, Shields and Risers
No.
Part # / Description / Price
Price
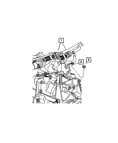
1
Transmission Shifter
Mopar
Mopar Notes: Transmissions: 5-SPEED MANUAL T355 TRANSMISSION.
Description: Includes Boot And Knob
2
4
No.
Part # / Description / Price
Price
1
2
Hex Nut-coned Washer Nut And Washer
Mopar
Mopar Notes: Transmissions: 4-SPEED AUTOMATIC VLP TRANSMISSION. 5-SPEED MANUAL T355 TRANSMISSION. 6-SPEED AUTOMATIC 62TE TRANSMISSION. 6-SPEED MANUAL AISIN BG6 TRANS.
Description: M6 x 1.00. Rear Cargo Bin Attaching
MSRP $12.30 CAD
$11.07 CAD
MSRP $12.30 CAD
$11.07 CAD
3
Transmission Shifter
Mopar
Mopar Notes: Transmissions: 5-SPEED MANUAL T355 TRANSMISSION.
Description: Includes Boot And Knob
4
Hex Flange Head Screw, Mounting
Mopar
Mopar Notes: Engines: 2.0L I4 DOHC 16V DUAL VVT ENGINE. 2.4L I4 DOHC 16V DUAL VVT ENGINE. 2.4L I4 PZEV 16V DUAL VVT ENGINE. Transmissions: 4-SPEED AUTOMATIC VLP TRANSMISSION. 5-SPEED MANUAL T355 TRANSMISSION. 6-SPD AUTO GETRAG MPS6 TRANSMISSION. 6-SPEED AUTOMATIC 62TE TRANSMISSION. 6-SPEED MANUAL AISIN BG6 TRANS.
Description: M6x1.00x20.00. Rear Oil Seal Retainer To Cylinder Block
MSRP $4.20 CAD
$3.78 CAD
MSRP $4.20 CAD
$3.78 CAD
5
Mtx Shifter Mounting Bracket Assy
Mopar
Mopar Notes: Transmissions: 5-SPEED MANUAL T355 TRANSMISSION. 6-SPEED MANUAL AISIN BG6 TRANS.
Description: MTX SHIFTER MOUNTING
No.
Part # / Description / Price
Price
1
