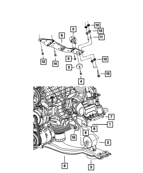
Engine Mounting for 2009 Chrysler Sebring
No.
Part # / Description / Price
Price
1
Engine Mount Bracket, Front
Mopar
Mopar Notes: Transmissions: 6-SPD AUTO GETRAG MPS6 TRANSMISSION.
Description: ENGINE SUPPORT
1
Engine Mount Bracket, Front
Mopar
Mopar Notes: Transmissions: 6-SPEED MANUAL AISIN BG6 TRANS.
Description: ENGINE MOUNT
2
Isolator Bushing, Front
Mopar
Mopar Notes: Engines: 2.7L V6 DOHC 24 VALVE MPI ENGINE. Transmissions: 4-SPEED AUTOMATIC VLP TRANSMISSION. 6-SPD AUTO GETRAG MPS6 TRANSMISSION.
Description: ISOLATOR
2
Isolator Bushing, Front
Mopar
Mopar Notes: Transmissions: 6-SPEED MANUAL AISIN BG6 TRANS.
Description: ISOLATOR
3
Mass Damper
Mopar
Mopar Notes: Engines: 2.0L I4 DOHC DIESEL 16V ENGINE. 2.4L I4 DOHC 16V DUAL VVT ENGINE. 2.4L I4 PZEV 16V DUAL VVT ENGINE.
5
Hex Flange Head Bolt, Mounting
Mopar
Mopar Description: M10x1.50x50. Front Engine Mount To Engine Member Restraint Assembly [M10x1.50x50.00]
6
MSRP $538.00 CAD
$484.20 CAD
7
Hex Head Bolt And Coned Washer, Mounting
Mopar
Mopar Description: M10X1.50X130.00. Rear Engine Mount Through Bolt [M10x1.50x130.00]
MSRP $14.60 CAD
$13.14 CAD
MSRP $14.60 CAD
$13.14 CAD
8
Hex Flange Head Bolt, Mounting, Right
Mopar
Mopar Notes: Transmissions: 6-SPD AUTO GETRAG MPS6 TRANSMISSION.
Description: M12x1.75x50.00. Lower. Bracket To Cylinder Block
MSRP $4.40 CAD
$3.96 CAD
MSRP $4.40 CAD
$3.96 CAD
9
Hex Flange Head Bolt, Mounting
Mopar
Mopar Notes: Transmissions: 6-SPEED MANUAL AISIN BG6 TRANS.
Description: M12X1.75X133.00. Torque Reaction Bracket To Transmission
12
Hex Head Bolt And Washer, Mounting
Mopar
Mopar Description: M10x1.50x40.00. Park Brake Cable Guide to Left Frame Rail
MSRP $5.20 CAD
$4.68 CAD
MSRP $5.20 CAD
$4.68 CAD
14
Hex Head Bolt And Coned Washer
Mopar
Mopar Description: M10X1.50X60.00. Right Side Rear Cross Brace Adapter Bracket To Body
MSRP $36.60 CAD
$32.94 CAD
MSRP $36.60 CAD
$32.94 CAD
15
Hex Head Bolt And Washer, Mounting
Mopar
Mopar Description: M12x1.25x90.00. Center Crossmember To Radiator Support
No.
Part # / Description / Price
Price
2
Hex Head Bolt And Coned Washer, Mounting Right Side
Mopar
Mopar Notes: Engines: 2.4L I4 DOHC 16V DUAL VVT ENGINE. 2.4L I4 PZEV 16V DUAL VVT ENGINE. 2.7L V6 DOHC 24 VALVE MPI ENGINE. 3.5L V6 HIGH OUTPUT 24V MPI ENGINE. Transmissions: 5-SPEED MANUAL T355 TRANSMISSION.
Description: M12X1.75X55.00. Engine Mount To Front Lower Bracket
MSRP $11.60 CAD
$10.44 CAD
MSRP $11.60 CAD
$10.44 CAD
3
Hex Head Bolt And Coned Washer, Mounting
Mopar
Mopar Description: M10X1.50X130.00. Rear Engine Mount Through Bolt [M10x1.50x130.00]
MSRP $14.60 CAD
$13.14 CAD
MSRP $14.60 CAD
$13.14 CAD
4
Isolator Bushing, Rear
Mopar
Mopar Notes: Transmissions: 6-SPD AUTO GETRAG MPS6 TRANSMISSION.
Description: NONE
5
Hex Flange Head Bolt, Mounting
Mopar
Mopar Description: M10x1.50x25.00. Heater Hose & Tube Return To Transaxle [M10x1.50x25.00]
MSRP $7.45 CAD
$6.71 CAD
MSRP $7.45 CAD
$6.71 CAD
No.
Part # / Description / Price
Price
1
2
Hex Flange Head Bolt
Mopar
Mopar Description: M10x1.50x35.00. Isolator Assembly to Cradle
MSRP $4.85 CAD
$4.37 CAD
MSRP $4.85 CAD
$4.37 CAD
No.
Part # / Description / Price
Price
2
Hex Flange Head Bolt
Mopar
Mopar Description: M10x1.50x35.00. Isolator Assembly to Cradle
MSRP $4.85 CAD
$4.37 CAD
MSRP $4.85 CAD
$4.37 CAD
3
Hex Head Bolt And Coned Washer, Mounting
Mopar
Mopar Notes: Engines: 2.7L V6 DOHC 24 VALVE MPI ENGINE. 3.5L V6 HIGH OUTPUT 24V MPI ENGINE. Transmissions: 6-SPEED AUTOMATIC 62TE TRANSMISSION.
Description: M10X1.5X65.00. Front Engine Support To Cradle Middle Location [M10x1.5x65.0]
MSRP $9.80 CAD
$8.82 CAD
MSRP $9.80 CAD
$8.82 CAD



